您的位置:首页 > 研究成果 > 专利 > 2015年授权发明专利

一种环硅氧烷免调聚连续制备聚硅氧烷的方法及装置

编辑:admin  时间:2016-08-03 11:09:18   访问次数:3183

专利名称: 一种环硅氧烷免调聚连续制备聚硅氧烷的方法及装置
专利类型:
发明专利,201310063688.3
专利授予单位: 中华人民共和国国家知识产权局
专利权人: 浙江大学
发明人:

顾雪萍,冯连芳,王嘉骏,张才亮,栗广奉

授权公告日: 2015年6月24日

 

专利简介:

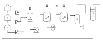
        本发明公开了一种环硅氧烷免调聚连续制备聚硅氧烷的方法,将环硅氧烷、重量为环硅氧烷0.01%~0.1%的碱性催化剂和重量为环硅氧烷0.01%~0.15%的分子量调节剂均匀混合后反应1~4h,反应完成后,将反应得到的反应液中的碱性
催化剂进行失活,然后脱挥处理,得到聚硅氧烷。本发明还公开了一种用于实施上述方法的制备聚硅氧烷的装置。本发明采用连续化生产工艺,避免了间歇工艺分批生产时批次之间的质量差异,产品质量稳定。